Per conformarsi alla direttiva europea che impone l’USB-C come caricatore universale per smartphone, tablet e altri dispositivi, nella parte inferiore della scatola dei nuovi iPhone sono presenti nuovi pittogrammi dedicati ai consumatori e agli utenti finali che permettono di comprendere se l’apparecchiatura includa o meno un dispositivo di ricarica e se il dispositivo supporta l’USB PD.
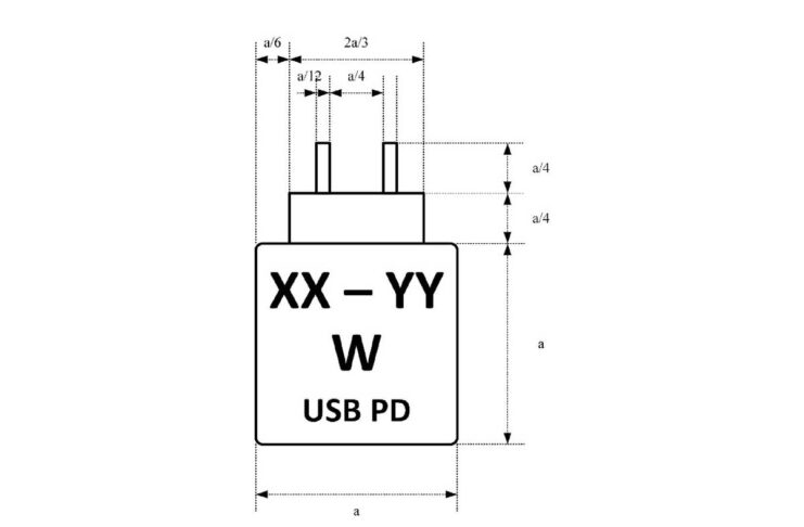
La direttiva prevede obblighi per i produttori in relazione alle informazioni da fornire o da esporre. Sull’imballaggio è necessario indicare con un pittogramma (stampato o come autoadesivo con specifiche forme e misure), se un dispositivo di ricarica è incluso o meno nell’apparecchiatura.
La direttiva prevede (qui i dettagli) l’indicazione di diciture con cifre corrispondenti alla potenza minima richiesta dall’apparecchiatura per la ricarica, che determina la potenza minima che un dispositivo di ricarica deve fornire per caricare l’apparecchiatura, seguita da due lettere corrispondente alla potenza massima richiesta dall’apparecchiatura radio per raggiungere la massima velocità di ricarica, che determina la potenza minima che un dispositivo di ricarica deve fornire per raggiungere tale massima velocità di ricarica.
La dicitura “USB PD” (USB Power Delivery) deve essere indicata se l’apparecchiatura supporta questo protocollo di comunicazione per la ricarica (“USB PD” è il protocollo che negozia la fornitura più rapida di corrente dal dispositivo di ricarica all’apparecchiatura senza abbreviare la durata di vita della batteria).

La direttiva UE prevede la possibilità di variare l’aspetto del pittogramma (ad esempio può essere di colori diversi, avere forma vuota o piena, linee di spessore differente), purché rimanga visibile e leggibile. In caso di riduzione o di ingrandimento del pittogramma, devono essere mantenute le proporzioni indicate nei simboli.
Questi nuovi simboli grafici sono visibili anche sulla confezione degli AirPods 4 e li vedremo d’ora in poi su iPhone, iPad, AirPods, tastiere, mouse, ecc.
A questo indirizzo trovate un nostro articolo su come scegliere i migliori cavi USB-C ad alta velocità per gli iPhone. Qui una guida ai migliori alimentatori USB-C per Mac e iPad.
![iGuide per i regali di Natale - macitynet..ti CTA Natale iGuida [per Settimio] - macitynet.it](https://www.macitynet.it/wp-content/uploads/2025/12/regali-di-natale-consigli-di-macitynet.jpg)











